分支动态
您现在的位置:完美体育·(中国)官方网站 > 完美体育·(中国)官方网站 > 分支动态
热烈祝贺山东华建铝业集团有限公司等3家企业获得2021年度“泰山品质”认证证书
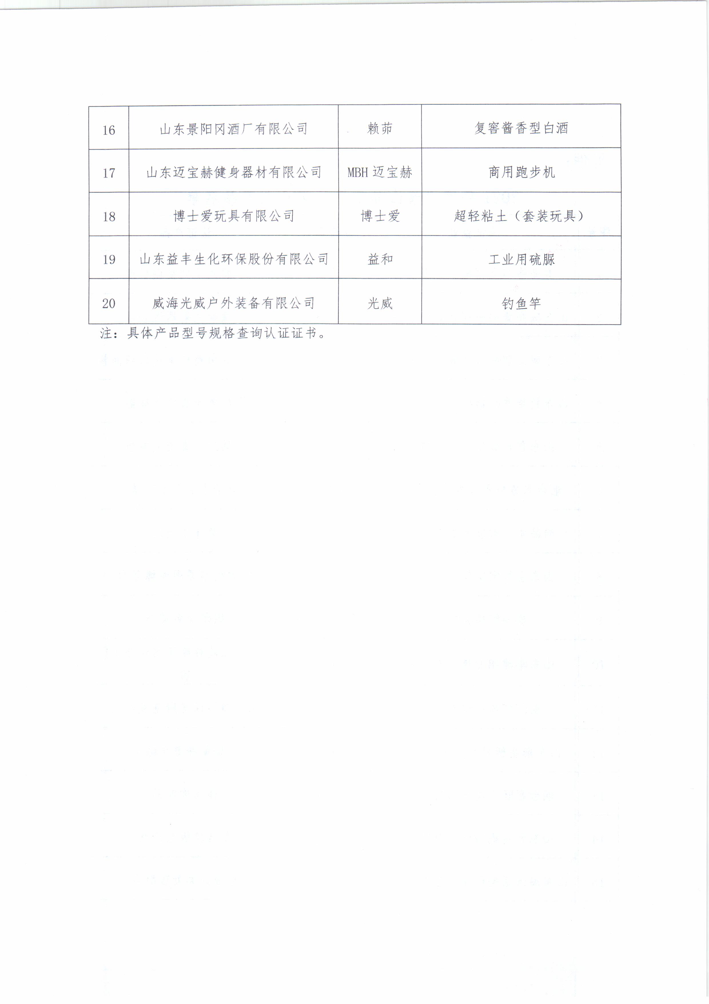
时间:2022年02月13日 近日,山东省认证认可协会和“泰山品质认证联盟”联合印发了了《完美体育·(中国)官方网站-365WM SPORTS公布2021年度“泰山品质”认证的企业产品名单的函》(20家企业及产品详见附件),通过方圆标志认证集团认证的产品和企业有3家,分别是:山东华建铝业集团有限公司的被动式低能耗建筑用铝合金门窗,山东金号家访集团有限公司的医护级孕婴用纯棉面巾,山东益丰生化环保股份有限公司的工业用硫脲。在此向获证企业表示热烈祝贺。
泰山品质认证是山东省为贯彻落实山东省人民政府《完美体育·(中国)官方网站-365WM SPORTS加强质量认证体系建设促进全面质量管理的实施方案的通知》精神,以促进质量品牌高端化为核心而进行的高端品质认证。获得“泰山品质”产品认证证书,将更有利于企业品牌价值的提升和高品质形象的塑造,有力于提升企业的市场竞争力。
方圆山东公司将在省市场监管局的指导下进一步规范和优化“泰山品质”认证活动,为积极推进高端认证,加快我省品牌高端化、企业国际化、服务卓越化进程,助力全省经济高质量发展贡献力量。



泰山品质认证是山东省为贯彻落实山东省人民政府《完美体育·(中国)官方网站-365WM SPORTS加强质量认证体系建设促进全面质量管理的实施方案的通知》精神,以促进质量品牌高端化为核心而进行的高端品质认证。获得“泰山品质”产品认证证书,将更有利于企业品牌价值的提升和高品质形象的塑造,有力于提升企业的市场竞争力。
方圆山东公司将在省市场监管局的指导下进一步规范和优化“泰山品质”认证活动,为积极推进高端认证,加快我省品牌高端化、企业国际化、服务卓越化进程,助力全省经济高质量发展贡献力量。





